德瑞斯變頻器ES100系列研磨機應用
丹佛斯變頻器在壽力空壓機上的應用
丹佛斯變頻器在印花機上的應用
FC360帶永磁同步電機在空壓機上的應用
正佳廣場空調制冷系統變頻器維修項目實例
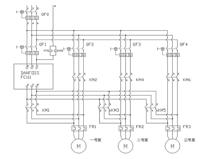
FC111的多泵控制
丹佛斯FC3600在TProfiNET總線系統中的
FC360 在裝箱機的提升應用
步科 產品應用于曲奇餅干機
丹佛斯 5 FC302+MCO305 鋼板下料生產線的定長切割應用
丹佛斯 C IMC 在紙箱自動碼垛機上的應用
丹佛斯變頻器在膨化機的改造方案
丹佛斯 同步卡在 灌裝封口組合機的位置同步
黃金圍醫藥倉庫的項目改造
在佛山某飲料廠制冷系統的節能改造
丹佛斯變頻器在染整行業上的應用
微信公眾號
微信小程序
廣州市風華機電設備有限公司 ? 版權所有
技術支持:第七城網絡
黃小姐
柏小姐
李小姐
回頂